Solco Ground Level Vent Box
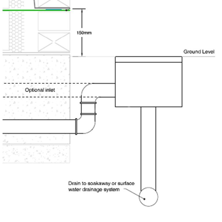
The Solco Ground Level Vent Box is designed to effectively disperse passively vented gas safely into the atmosphere. The vents should be positioned near the building perimeter or in soft landscape.
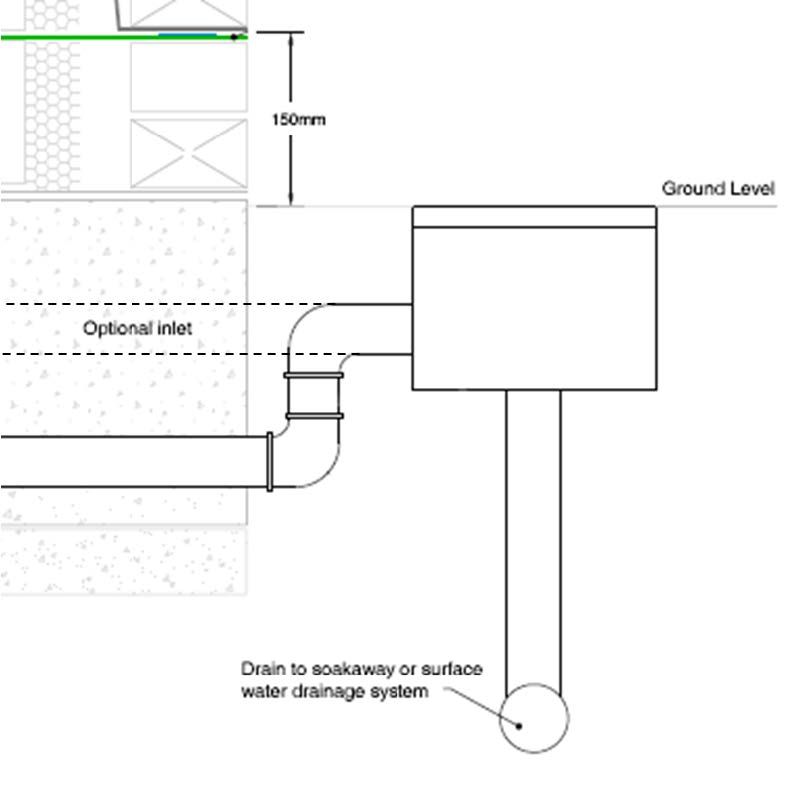
In areas of vehicle traffic, the ground level vent box can be positioned underneath a gully grate to suit road traffic (design of bearing load to be approved by the engineer).
Lids are available in stainless steel or galvanised steel. Stainless steel screws are provided. Base connection should be to storm water collection, land drainage or soakaway system. Only for use in areas that sustain light foot traffic.
Correct Installations/specification should be sought from the specifier, ground engineers or the structural engineers to ensure the unit is suitable for the intended location.
In areas of vehicle traffic, the ground level vent box can be positioned underneath a gully grate to suit road traffic (design of bearing load to be approved by the engineer).
Lids are available in stainless steel or galvanised steel. Stainless steel screws are provided. Base connection should be to storm water collection, land drainage or soakaway system. Only for use in areas that sustain light foot traffic.
Correct Installations/specification should be sought from the specifier, ground engineers or the structural engineers to ensure the unit is suitable for the intended location.
| Data Sheets | |
| Solco Ground Level Vent Box Data Sheet | Download |



















